Изолятор опорный стержневой полимерный
ОСК 12,5-35/190-3 исполнение 07
Полимерный опорный-стержневой изолятор ОСК 12,5-35/190-3 исполнение 07 предназначен для изоляции и крепления токоведущих частей в электрических аппаратах, распределительных устройствах, электрических станций и подстанций переменного тока номинальным напряжением 35 кВ. Опорный стержневой полимерный изолятор предназначен для работы в температурном диапазоне от –60° до +50°С на высоте не более 1000 м над уровнем моря.
Структура условного обозначения изолятора ОСК 12.5-35/190-3-07 УХЛ1:
- О - опорный;
- С - стержневой;
- К - кремнийорганическая защитная оболочка изолятора;
- 12,5 - минимальная разрушающая сила на изгиб, кН;
- 35 - номинальное напряжение изолятора, кВ;
- 190 - испытательное напряжение грозового импульса 1,5/50, кВ;
- 3 - степень загрязнения изоляции в соответствии с ГОСТ 9920;
- 07 - конструктивное исполнение изолятора;
- УХЛ1 - климатическое исполнение и категория размещения по ГОСТ 15150.
Опорные стержневые полимерные изоляторы ОСК-12,5-35/190-3-07 УХЛ1 предназначены для замены фарфоровых изоляторов ИОС-35/1000 УХЛ1, ИОС-35-1000 УХЛ 1, ИОС35-1000 УХЛ1, ОИС-35-1000 УХЛ1, ИОС-35-1000УХЛ1, ИОС35-1000УХЛ1, ИОС35-1000 УХЛ1, ИОС-35/1000 УХЛ1, ИОС35/1000 УХЛ1, ОНС-35-1000 УХЛ1, ОНСУ-40-1000 УХЛ1
Изолятор ОСК 12,5-35/190-3 исполнение 07 УХЛ1 соответствует требованиям СОУ МПЕ 40.1.51.302:2006.
| Показник | ОСК 12,5-35/190-3-07 |
| Номінальна напруга, кВ | 35 |
| Нормована руйнуюча механічна сила при вигині, кН, не менше | 12,5 |
| Ступінь забруднення атмосфери по ГОСТ 9920 | 3 |
| Напруга, що витримується, кВ: | |
| грозового імпульсу «1,2/50»; | 190 |
| промислової частоти: | |
| в сухому стані; під дощем |
95 80 |
| Середня розрядна напруга промислової частоти в сухому стані, кВ | 142 |
| 50%-на розрядна напруга повного грозового імпульсу, кВ | 232 |
| 50% розрядна напруга в забрудненому і зволоженому стані, при питомій поверхневій провідності 20 мкСм, кВ | 42 |
| Мінімальний руйнуючий крутний момент, кН*м | 2 |
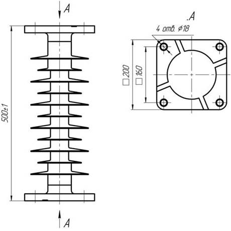
| Довжина шляху витоку, мм | 1330 |
| Рівень часткових розрядів при нормованій напрузі, пКл | ≤2 |
| Маса, кг, не більше | 16,7 |
Варианты обозначения полимерных аналогов: ИОСК 12,5-35-500-4, ОСК 10-35-3, ОСК 10-35-А-4, ИОСК 10-35-500-2 УХЛ1, ИОСК 10-35-500-1, ИОСК 12,5-35-500-4, ОСК 10-35-3, ОСК 10-35-А-4, ИОСК 10-35-500-2 УХЛ1, ИОСК 10-35-500-1
