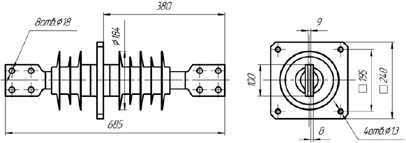
Изолятор проходной полимерный ППЦ-10/2000-12,5 УХЛ1
Изолятор проходной полимерный ППЦ-10/2000-12,5 УХЛ1, аналог керамического изолятора ИПУ-10/2000-12,5 УХЛ1, ИП-10/2000-12,5 У3, которй производится нашим предприятием в Украине, предназначен для ввода и изоляции токоведущих частей закрытых распределительных устройств электрических станций и подстанций (ТП), комплектных распределительных устройств (КТП), соединения с открытыми распределительными устройствами или линиями электропередачи на переменное напряжение 10 кВ частоты до 100 Гц, для работы в атмосфере типов I или II по ГОСТ 15150-69, а также для закрытых токопроводов.
Изолятор ППЦ-10/2000-12,5 УХЛ1 применяется для ремонта и комплектации трансформаторных подстанций КТП до 2000 кВа.
| Назва параметру | ППЦ-10/2000-12,5 УХЛ1 |
| Номінальна напруга, кВ | 10 |
| Номінальний струм, А | 2000 |
| Нормована руйнуюча механічна сила при вигині, не менше, кН | 12,5 |
| Напруга, грозового імпульсу «1,2/50», що витримується, кВ: Напруга промислової частоти, що витримуэться: у сухому стані; під дощем |
80 45 |
| Витримувальна напруга промислової частоти, кВ, в забрудненому та вологому стані при питомій поверхневій провідності забрудненого шару, що рівняється (35±1,0) мкСм, не менше | 12 |
| Довжина шляху витоку зовнішньої ізоляції, мм, не менше | 560 |
| Довжина шляху витоку внутрішньої ізоляції, мм, не менше | 350 |
| Маса, кг, не більше | 10,3 |
Варианты обозначения полимерных аналогов: ИПК 10/2000-IV/IV УХЛ1, ИПК 10/2000-IV/IV-М УХЛ1, ИПК 10/2000-IV/IV УХЛ1, ИППУ-10/2000-12,5 УХЛ1, ИППУ-10/2000-12,5 УХЛ1
Заменяют фарфоровый проходной изолятор 10кВ: ИПУ-10/2000-12,5 УХЛ 1, ИПУ-10/2000-12,50 УХЛ1, ИПУ-10/2000-1250 УХЛ1, ИПУ-10/2000-1250 УХЛ 1, ИП-10/2000-12,5 УХЛ1, ИПУ10/2000-12,5 УХЛ1, ИПУ10/2000-12,5УХЛ1, ПН-10-2000-1250 У1, ПНУ-10-2000-12,5 У1, ИП-10/2000-1250 У1, ПНБ-10/2000-1250 У1
