Изолятор проходной полимерный ППЦ-10/630-8 УХЛ1 исполнение 01

Изолятор проходной ППЦ-10/630-8 УХЛ1 исполнение 01 (квадратный фланец), аналог керамического изолятора ИПУ-10/630-7,5-02 УХЛ1, ИПУ 10/630-7,5-II УХЛ1, которй производится нашим предприятием в Украине, предназначен для ввода и изоляции токоведущих частей закрытых распределительных устройств электрических станций и подстанций (ТП), комплектных распределительных устройств (КТП), соединения с открытыми распределительными устройствами или линиями электропередачи на переменное напряжение 10 кВ частоты до 100 Гц, для работы в атмосфере типов I или II по ГОСТ 15150-69, а также для закрытых токопроводов.

Изолятор ППЦ 10/630-8 УХЛ1 исполнение 01 применяется для ремонта и комплектации трансформаторных подстанций КТП мощностью до 100, 160, 200, 300, 400, 630 кВа.

 

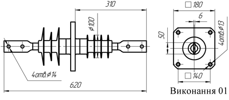
Назва параметру ППЦ-10/630-8 УХЛ1 исполнение 01 (Квадратный фланець)
Номінальна напруга, кВ 10
Номінальний струм, А 630
Нормована руйнуюча механічна сила при вигині, не менше, кН 8
Напруга, грозового імпульсу «1,2/50», що витримується, кВ:
Напруга промислової частоти, що витримуэться:
у сухому стані;
під дощем

80

45
30

Витримувальна напруга промислової частоти, кВ, в забрудненому та вологому стані при питомій поверхневій провідності забрудненого шару, що рівняється (35±1,0) мкСм, не менше   12
Довжина шляху витоку зовнішньої ізоляції, мм, не менше 380
Довжина шляху витоку внутрішньої ізоляції, мм, не менше 290
Маса, кг, не більше 4,2

Версия для печати

Варианты обозначения полимерных аналогов:ИПК 10/630-IV/II-Б УХЛ1, ИПК 10/630-IV/II-БМ УХЛ1, ИППУ-10/630-8-02 УХЛ1

Заменяют фарфоровый проходной изолятор 10кВ: ИПУ-10/630-7,5-02 УХЛ1, ИПУ10/630-7,5 02 УХЛ1, ИПУ-10/630-II-7,5 УХЛ1

Контакты

Телефон/Viber/WatsApp: +38(050) 761-20-09

Email: slavsep@gmail.com
Website: www.sep.ho.ua
Украина, г.Киев